VarioflowBOX COMF V2 400 regulátor variabilního průtoku vzduchu

Regulátory variabilního průtoku vzduchu VarioflowBOX COMF pro centrální větrací systémy
Více informací
Cena na dotaz
dostupnost: na dotaz [3.4.2026, 00:00] Aktualizovat
Zboží nelze objednat přes internet.
Kontaktujte specialisty z obchodního oddělení
nebo navštivte naše pobočky.

Kód produktu:
Výrobce: ELEKTRODESIGN ventilátory spol. s r. o.   Více informacíMéně informací

ELEKTRODESIGN ventilátory spol. s r. o.
Boleslavova 53/15
140 00 Praha 4 – Česká Republika
elektrodesign[zav]elektrodesign[teč]cz
www.elektrodesign.cz

Popis produktu
Popis produktu
Funkce

Regulátor variabilního průtoku (VAV) slouží pro autonomní regulaci množství větraného vzduchu jedné zóny v centrálních větracích systémech.

Konstrukce

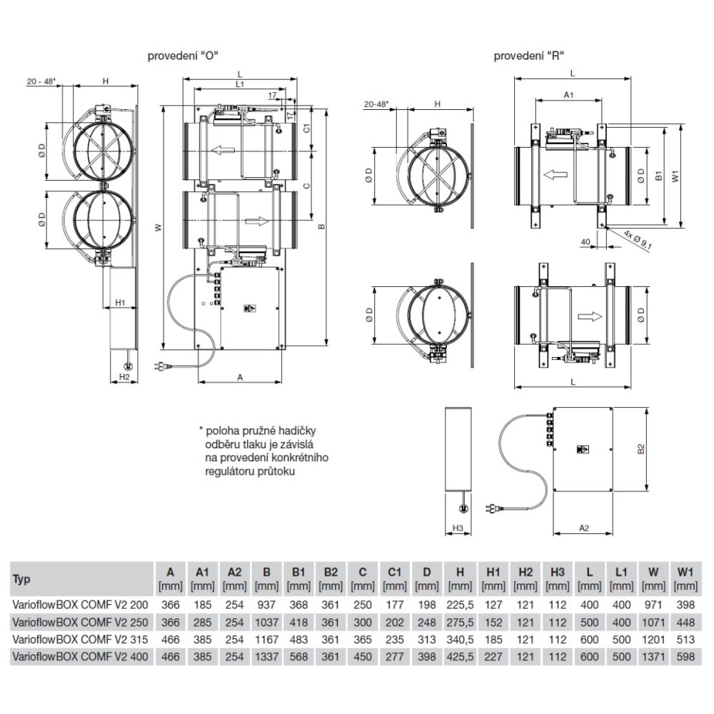
VAV regulátor VarioflowBOX COMF V2 se skládá z dvojice tubusů (přívodní a odvodní) a elektrického rozvaděče s napájecí jednotkou VARIOSU 24-10-V2, která slouží pro napojení všech souvisejících periferií. Tento VAV regulátor lze dodat ve spojeném či rozděleném provedení. V případě spojeného provedení jsou tubusy s el. rozvaděčem osazeny na nosné plechové desce. Pro připojení na kruhové potrubí jsou oba tubusy vybaveny břitovým těsněním. Jednotlivé díly jsou vyrobeny z pozinkovaného ocelového plechu.
Konstrukční řešení se liší pro dimenze 100 až 160 a 200 až 400. Prvně zmiňované má servopohony umístěné společně s regulačními klapkami uvnitř tubusů a průtok vzduchu je měřen pomocí termoanemometru. Druhá konstrukční varianta využívá měření průtoku na základě tlakové diference měřené sondou uvnitř každého z tubusů. Servopohony jsou v této variantě osazené na plášti a jsou vybavené tlakovým snímačem průtoku vzduchu. Regulační klapky umístěné v každém z tubusů mají v uzavřeném stavu těsnost třídy 2 dle EN1751 kromě DN100, která oplývá pouze třídou 3.

Elektro

Napájecí napětí 1x230 V/50 Hz. VarioflowBOX COMF V2 je vybaven napájecí jednotkou 230 V/24 V s připojovacím kabelem ukončeným vidlicí na 230 V s ochranným vodičem. Průtok vzduchu lze regulovat analogovým signálem 0–10 V nebo dvěma bezpotenciálovými kontakty (BOOSTy), případně za příplatek lze rozšířit na 3 bezpotenciálové kontakty. Časový doběh funkce BOOST je nastavitelný v libovolném rozsahu pro 2 až 3 zóny (kuchyně, hygienické zázemí a jiné). Regulované množství vzduchu v přívodním tubusu je stejné jako v odvodním tubusu (VPŘÍVOD = VODVOD). Stupeň krytí elektrického rozvaděče je IP44. Komunikační rozhraní pro řídící systém lze volit mezi Modbus RTU nebo MP-Bus u dimenzí 200, 250, 315 a 400. U dimenzí 100, 125 a 160 je pouze MP-bus.

Montáž

Montáž na stěnu nebo pod strop se směry proudu vzduchu vodorovně nebo svisle. Nutné dodržet směry proudění vzduchu, které jsou na tubusech vyobrazeny šipkami. Únosnost kotev pro montáž na stěnu nebo strop musí odpovídat hmotnosti dané sestavy dle provedení (rozdělené či v celku). Je nutné zajistit dostatečný přístup pro možnost servisu a údržby regulátoru. Před regulátorem průtoku ve směru proudění vzduchu je nutné zajistit rovný kus potrubí min. délky 2xD pro zajištění optimálního rychlostního profilu před vstupem do regulátoru.

Provozní podmínky

Maximální rychlost proudícího vzduchu je pro dimenze 100, 125 a 160 7 m/s, pro dimenze 200, 250, 315 a 400 je 12 m/s. Minimální rychlost proudícího vzduchu je pro dimenze 100, 125 a 160 0,2 m/s, pro dimenze 200, 250, 315 a 400 je 2 m/s. Ve výrobním závodě je možné nastavení rozsahu průtoků vzduchu rozdílné od standardních rozsahů uvedených v tabulce technických parametrů (nutno specifikovat rozsah Vmin a Vmax při objednávce). Maximální možný rozdíl tlaků před a za klapkou je
900 Pa. Rozsah teplot dopravovaného vzduchu by měl být od 0 °C do +50 °C a maximální relativní vlhkost proudícího vzduchu do 95 % (musí být zabráněno vzniku kondenzace na povrchu či uvnitř tubusů). Vzduch proudící tubusy musí být bez lepivých a abrazivních příměsí, aby nedocházelo k zanášení sond snímače rychlosti proudění či tlaku a regulační klapky.

Příslušenství

• dálkové prostorové ovladače:
     • CRP24-B1 nástěnný ovladač s otočným kolečkem pro nastavení výkonu
     • CR24-B1P nástěnný ovladač s tlačítkem pro přepínání mezi 3 intenzitami větrání
     • CRA24-B3 nástěnný ovladač s tlačítkem pro přepínání mezi 3 intenzitami větrání a zároveň s kolečkem pro nastavení výkonu při intenzitě „COMF“
• MSKM-KB klapka pro zónování odtahovaného vzduchu (přednostní odsávání) včetně servopohonu
• AIRSENS-CO2 čidlo kvality vzduchu
• MAA tlumič hluku
• MTS tlumič hluku
• SONOULTRA flexibilní tlumič hluku
• SPIRO kruhové potrubí
• SEMIFLEX SONO zvukově izolovaná hadice

Celý popis
Ke stažení
katalogový list .pdf (2.47 MB)
Revit soubory
Kontaktujte nás